
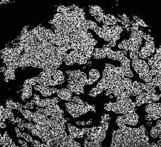
Bo Holmqvist (CSO, Imagene-iT AB) har analyserat de senaste resultaten från Lumitos inmärkningar av nya bröstcancervävnader, av olika grader av HER2 uttryck, som visualiserats med Lumitos UCNP (up-converting nano particles). Samma vävnad har även märkts in på traditionellt sätt, det vill säga med teknik som i dag analyseras av histologer och kliniska patologer (DAB-reagens), för jämförelser. Bilddokumentationen av UCNP teknologin är genererad i Lumitos scanner som sedan bedömts av histolog/patolog via Sectras miljö Pacs on Demand mjukvara.
| – Jag anser att Lumitos bildmaterial håller en histologiskt och inmärkningsmässigt hög kvalitet. Lumitos bilder ger förbättrade möjligheter för den histopatologiska bedömningen. Dessutom, utifrån bilddokumentering med bra bildkvalitet kan en digital bedömning av bildmaterialet ge ytterligare stöd till den visuella kliniska bedömningen, säger Bo Holmqvist. | |
Det finns förmodligen skillnader bland patologernas bedömningar och gradering av vävnadssnitt vilket kan vara avgörande för rätt behandling. Graderingsvärden (scorevärden) av malignitet som ligger nära varandra kan vara svårbedömda visuellt.
Bo Holmqvist menar att kvaliteten i dag, för Lumitos bilddokumentation visar goda förutsättningar för att även kunna implementera en mjukvara för digital kvantifiering och bedömning. Det kan då bli enklare, och även säkrare, att göra en bedömning baserad på denna mjukvara i kombination med den visuella bedömningen av det digitala vävnadssnittet, inmärkt med Lumitos UCNP med hög bildkvalitet. Patologen
och forskaren skulle kunna se på bilderna och ladda dem i en mjukvara för digital kvantifiering. Den digitala läsningen kan ge stöd vid svåra graderingar av inmärkningar – men även för att kunna sortera ut fall som inte behöver analyseras vidare, vilket sparar resurser.
– Kvaliteten på bildmaterial är resultatet av Imagene-iTs och Lumitos gemensamma arbete där fokus hela tiden varit kvalitet. Idag har vi stabila, repeterbara leveranser och hög bildkvalitet som utgör en bra grund inför fortsatt arbete, produktlansering på forskningslaboratorier och utveckling av nya markörer eller indikationer, kommenterar Mattias Lundin, Lumitos VD.
Fakta
Bo Holmqvist (CSO) är grundare av ImaGene-iT AB. ImaGene-iT är ett CRO-bolag som bidrar med kunskap och tjänster inom life science med specifik kompetens avseende inmärkning- och visualiseringstekniker, mikroskopi och bildtagning, bildhantering och digital bildanalys, innefattande analyser från cellkultur till human histopatologi.
Bo Holmqvist har mer än 30 års erfarenhet av vetenskaplig akademisk forskning (docent Experimentell Patologi) med expertis inom histologi och avancerad mikroskopi, och medverkade i uppstarten av Lund Bioimaging centers optiska enhet. Bo har varit konsult för Lumito sedan 2018.
HER2 bröstcancer markör och HER2-UCNP markör
Lumitos teknologi gör det möjligt att detektera specifika markörer för tex cancer med nano-partikelbaserade reagenser, vilka ger en specifik och hög inmärkningsintensitet och därmed ger hög kvalitet vid bilddetektion.
Gradering av cancer, det vill säga skillnader i inmärkning för att ställa rätt diagnos, ställer extra höga krav och är i dag en subjektiv visuell bedömning, vilken kan variera beroende på laboratoriets inmärkningskvalitet och bedömande individ.
När det gäller specifikt HER2 bedömningar utifrån immunohistokemi inmärkningar med DAB visualisering ska patologen i dag bedöma enligt följande kriterier:
Grad 0 = avsaknad av inmärkning i cellmembran hos färre än 10 procent av tumörcellerna.
Grad 1+ = svag inmärkning men ej infärgning av hela cellmembranet hos tumörcellerna.
Grad 2+ = svag till måttlig infärgning av hela cellmembranet, hos minst 10 procent av tumörcellerna.
Grad 3+ = Stark infärgning av hela cellmembranet hos minst 10 procent av tumörcellerna.
Svårast avseende HER2 positivitet är bedömningarna mellan grad 0 och 1+, och mellan 1+ och 2+.
– Lumitos UCNP teknologi för detektion av HER2 positivitet kan förbättra denna gradering, säger Bo Holmqvist.
För eventuella frågor, vänligen kontakta:
Mattias Lundin, VD Lumito
Tel: 076- 86845 09
E-post: ml@lumito.se
Lumito är specialiserat inom medicinsk teknik för digital patologi. Genom sin egenutvecklade och patenterade teknologi vill Lumito ge vårdgivarna ett kraftfullt verktyg för att möta kraven på snabb och säker vävnadsdiagnostik i den individanpassade sjukvården. Tekniken möjliggör bilder med större kontrast där oväsentlig bakgrundsinformation sorteras bort, vilket gör det lättare för patologer att hitta cancerindikationer. Tekniken som baseras på uppkonverterande nanopartiklar (UCNP – Up Converting Nano Particles) har förutsättningar att väsentligt förbättra diagnostiken av vävnadsprover genom högre kvalitet av analyserna och kortare analystider. Metoden har flera potentiella användningsområden, men i första hand har Lumito valt att fokusera på digital patologi. Bolaget är en spinoff från en forskargrupp vid Lunds universitets avdelning för atomfysik och lasercentrum. www.lumito.se.
Aktien handlas på NGM Nordic SME, under namnet LUMITO och Mentor är Mangold Fondkommission, telefon: 08-503 015 50.




